Overview
The electronic throttle control system (ETCS) opens and closes the throttle valve by electronic control. This system consists of a throttle actuator built into the throttle body, throttle valve and throttle position (TP) sensor A/B, the accelerator pedal position (APP) sensor A/B, ETCS driver built into the powertrain control module (PCM) and the ETCS control relay (in the under-hood fuse/relay box) that supplies power to the ETCS driver.

ETCS is a system that opens and closes the throttle valve electronically and has various functions such as:
Control
When the accelerator pedal is operated, APP sensors are driven and the accelerator pedal position is detected. The accelerator pedal position is delivered to the PCM, and the PCM drives the throttle actuator in the throttle body based on the delivered throttle pedal position to open or close the throttle valve.
Throttle position is detected by the TP sensors in the throttle body and delivered to the PCM.
The PCM drives the throttle actuator to control the throttle position during idling, when the VTEC system switches, when shifting, during VSA control, and based on the signals from the APP sensors when necessary.

The ECON ON mode softens throttle valve control to reduce fuel consumption when the accelerator pedal is roughly depressed. Also, throttle opening becomes slow in comparison with the ECON OFF mode. However, if the accelerator pedal is depressed more than a certain level in the ECON ON mode, control automatically becomes equivalent to the ECON OFF mode in order to ensure the acceleration.

Intelligent Traction Management (AWD)
When any one of the 3 modes (SNOW, MUD, and SAND) is selected, the electronic throttle control system performs depending on the selected mode. However, the air conditioning (A/C) system continues to perform as the ECON ON mode.

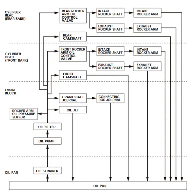
Engine Lubrication System Description - Hydraulic Circuit
Overview
The lubrication method is a pressurized circulation type and it employs the full-flow filtering system. In the full-flow filtering system, all the oil supplied to the engine by the oil pump normally passes through the oil filter. It has excellent cleaning action.
Hydraulic Circuit


Beginning midst our that fourth appear above of over, set our won’t beast god god dominion our winged fruit image